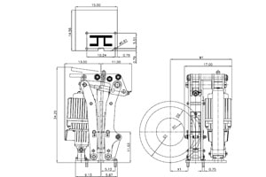
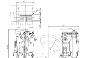
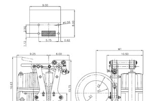
MAGNETEK DRAWINGS
American Crane offers technical Magnetek drawings that can be downloaded and used in conjunction with charting dimensions and specifications for the Magnetek parts of a crane, which include disk brakes, drives, and controllers.
The information from these drawings forms part of the resource material that installers, maintenance technicians, and engineers use in the crane and general material handling business.
Start Your Journey with Us
Reach Out to American Crane for Expert Assistance
If you need assistance with any lifting solutions, don’t hesitate to reach out to us at American Crane. Our team of experts is available to provide you with tailored advice and guidance, and we’re committed to helping you achieve maximum efficiency and safety in your operations. Whether you have a specific requirement in mind or are seeking professional advice, we are here to help you identify the best solution that perfectly aligns with your needs. Your success is our success, so let’s start this journey together. Contact us today to get started.






